
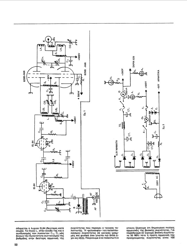
Schematics of pirate radio FM transmitter with 829B from an old Greek electronic magazine. Oscillator and driver are EL84 (6BQ5) at 300V. It would be better to use some little triode like oscillator EC900 6HM5, powered by stabilized voltage, than buffer, and finally driver with EL 84 (6BQ5). Anyway, this oscillator can work very stabile.

The rear side of transmitter, 829B is mounted horizontally, so variable input and output capacitors are easy accessible from the front and rear end of TX.

I have made two transmitters based on 829B, the first one about 100W and second, about 130W. They were powered directly from 220V without transformers, with double and triple voltage.

The last generation of what seem to be very popular FM pirate radio transmitters with 829B RCA, this transmitter can be made very quickly, easily and inexpensively provided you have old tube type transmitters found on military junk yards. Transmitter is amazingly stable, and with 100W of power, from a good location and with a good antenna system you’ll have nice signal and coverage for a small investment of the time and money!!!

Nice circuit xmitter. 🙂
And it works pretty fine!!! QQE06/40 could be used also.
Good luck if you try to make it!
Hola, podria enviarme in esquema detallado del transmisor FM a valvulas? Saludos
One of the best published pirate tube trasmitter designs of that era. I have a hard copy of the magazine. The posted scematic is not the correct one.
The correct one is here:
http://3.bp.blogspot.com/-FFovC91vjlc/ULM_GAARGRI/AAAAAAAABeQ/VFuutKjNx9o/s1600/2.bmp
First EL84 used as oscillator and second as doubler.